現在カート内に商品はございません。

★最大ポイント100%バック※要エントリー★【送料無料】美和ロック WLA20-8 GD バックセット51mm 扉厚33〜41mm 表示錠 トイレ レバーハンドル ゴールド MIWA ※取寄せ品

10,712税込
商品コード: tkhope:10003302
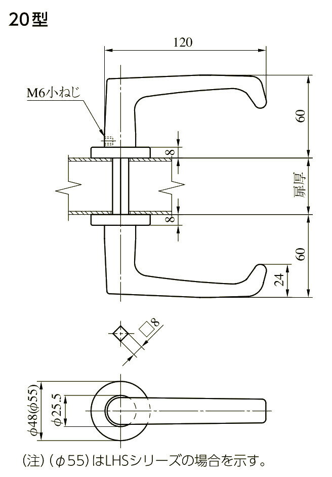
商品詳細 メーカー 美和ロック / MIWA 商品名 木製ドア用レバーハンドル錠 品番 WLA20-8 仕上 GD(アルミゴールド) ハンドル形状 20番 仕様 外側:非常開装置付き表示器内側:サムターン バックセット 51mm 対応扉厚 33mm以上42mm未満 取寄せ商品について ※お取り寄せ商品のため、ご注文確定後(決済確定後)のメーカー手配となります。 ※納期の目安はメーカー在庫時です。万が一欠品中の場合は、別途ご連絡差し上げます。 ※商品の特性上、ご注文確定後のキャンセル・返品・交換はお受けできません。
RANKING ランキング