現在カート内に商品はございません。

【地域に拠りあす楽 在庫あり】川本製作所 JF2-400S+TAB-50+付属品セット・ジェット(A12)付 400w . : カワエースジェット SUSインバーター 深井戸 500L PP受水槽付∴川本ポンプ ステンレス 深井戸ポンプ タンク付

312,234税込
商品コード: taneha:10419679
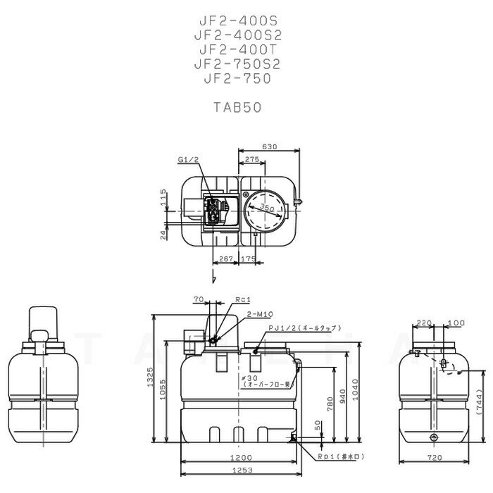
川本ポンプ 家庭用ポンプ 受水槽付カワエースジェットシリーズ ■JF2-400S+TAB-50 ポンプ本体「JF2-400S」の詳細はこちらから  →👉クリック ジェット「A12」の詳細はこちらから  →👉クリック 【用途】 水道加圧用 小規模ビル用 その他一般給水用 【特長】 カワエースジェットシリーズと受水槽をセットした自動給水装置です。 FRP受水槽(500L、1000L)は建築基準法適合品です。(特別付属品の架台を合わせてご使用ください。) *当店では架台のお取り扱いはしておりません。 FRP受水槽は、耐震基準1G及びスロッシング対策品、藻類増殖防止構造です。 サビ・腐食の心配がない樹脂製タンクで衛生的です。形状も角形で設置スペースをとりません。 【標準仕様】 液質 清水 0〜40℃(凍結なきこと) 主ポンプ NF3形、NFK2形、NR形、JF形、 受水槽材料 ポリエチレン製受水槽(50、100、200、300、500L) FRP受水槽(500、1000L) KAWAMOTO PUMP 吐出し圧一定給水 単独 交互 交互並列 屋内 屋外 ベージュ ステンレス インバータ
RANKING ランキング