現在カート内に商品はございません。

【メール便6個まで】マツ六 二次元調整戸車 使用可能引戸重量:20kgまで | 交換 取替 金物 補修 部品 サッシ 引戸 戸車 パーツ 車輪 滑車 がたつき DIY 簡単 取付

570税込
商品コード: select-tool:10007780
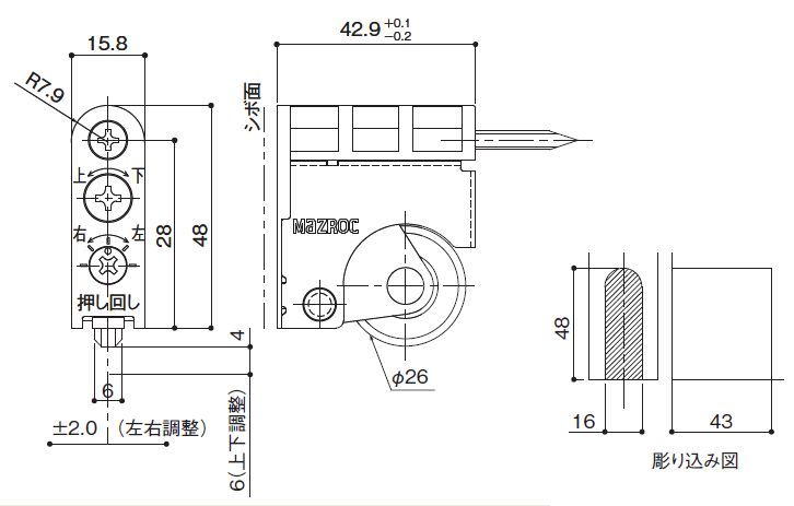
※一部の直送品に関しまして、北海道・沖縄県・離島への発送をお受けできない場合がございます。誠に恐れ入りますが、当店にてご注文をキャンセルさせていただく場合がございますので、予めご了承下さい。●上下調整と左右調整ができます。 ●引戸を外さずに木口から調整できる【V戸車】となります。 材質:枠/ポリアセタール樹脂・亜鉛メッキ鋼板、車/ポリアセタール樹脂 ボールベアリング入 使用可能引戸重量:20kgまで ビス付
RANKING ランキング