現在カート内に商品はございません。

☆アカギ 巻バンドB型 A10245-0149 NO.30 釘穴タイプ 0.6t 配管支持金具

3,289税込
商品コード: kougushop:10031758
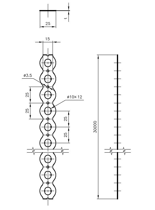
【特長】 ●スパイラルダクト管など軽量物用の万能支持金具。 ●必要な長さに応じ、切ってお使いいただくことができます。 ●溶融亜鉛めっき鋼板製。 【仕様】 品番コード A10245 巻きバンドB型  (※「サイズ」をclickで販売ページに移動します)   単位〔mm〕 サイズ G P1 K P2 C D t 長さ(m) 使用ボルト(サイズ例) NO.10 Φ4.0 10 − − 10 7 0.6 20 M 3×20 NO.30 釘穴タイプ 0.5t Φ10×12 25 Φ3.5 25 25 15 0.5 30 M10×25 NO.30 釘穴タイプ 0.6t Φ10×12 25 Φ3.5 25 25 15 0.6 30 M10×25 NO.30 釘穴タイプ 0.8t Φ10×12 25 Φ3.5 25 25 15 0.8 30 M10×25 NO.30 ストレートタイプ 0.6t Φ10×14 30 Φ4.0 30 24 − 0.6 30 M10×25 NO.30 ストレートタイプ 0.8t Φ10×14 30 Φ4.0 30 24 − 0.8 30 M10×25 【納期】メーカーに在庫があれば、納期約2〜3日(営業日)で出荷いたします。
RANKING ランキング