現在カート内に商品はございません。

丸パイプ 25mm用金具 杉田エース ACE 首長セフティブラケット 2ツ穴  × 1個 ※止/通のどちらかお選びください

1,001税込
商品コード: kanamono-online:10001428
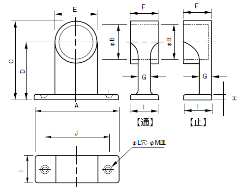
■ 1個 からの販売となります ※ 【止】(パイプの両端に使用)もしくは 【通】(パイプの中間に使用)のどちらかをお選びください 材 質 仕 上 サ イ ズ [単位:ミリ] 耐荷重 重 量 A B C D E F G H I J L M ZDC (亜鉛ダイカスト) クローム メッキ 60 25.5 80 65 30 20 8 4.5 20 47  4.5 9 60 kgf 109 g <付属部品> SUS十字穴付皿タッピングネジ 4×30 : 2本 杉田エース株式会社 の商品です 【商品番号】 (止)221-342 (通)221-352 
RANKING ランキング