現在カート内に商品はございません。

MIWAレバーハンドルセット 23型 GD 交換 取替えアルミ合金製 アルミゴールドレバーハンドルと座のセット

10,835税込
商品コード: kagiyasan:10004464
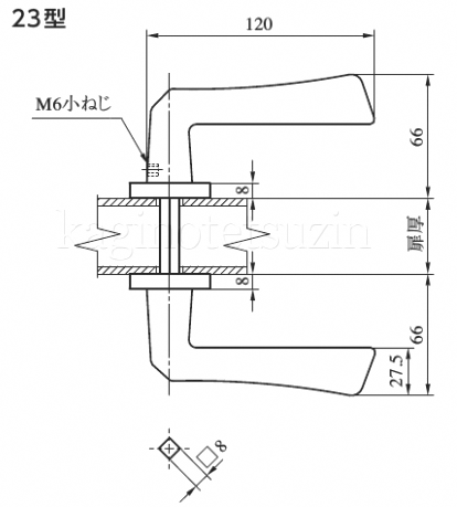
MIWA 23型GDタイプレバーハンドルについて デザイン性の高いレバーハンドルです。高級感のあるゴールド色になります。 アルミ合金とは アルミ合金はアルミニウムを主成分とする合金です。 23型寸法図面 ★MIWA 23-GD レバーハンドルセット ■標準キー なし ■レバーハンドル仕上(色) アルミゴールド(GD) ■レバーハンドルの材質 アルミ合金製 ■発送時期 約3週間〜4週間 ■返品について オーダー品につき返品不可になります。 ■生産国 日本 ■製造・販売元 株式会社美和ロックMIWAレバーハンドル 23型アルミゴールド(GD) アルミ合金製 ミワレバーハンドル23-GD アルミ合金製 アルミゴールドのご紹介です。刻印等の確認ができればレバーハンドルを交換することができます。 ここで紹介するMIWAのレバーハンドル23型はデザイン性の高いレバーハンドルです。玄関や勝手口、トイレ、寝室、子供部屋、非常口、機械室など多岐にわたって使用されています。 しかし長年使用することによって下の写真のようにレバーハンドルの色が褪せたり、劣化が目立つようになってくれば交換の時期です。 レバーハンドルの交換はプラスドライバー1本で簡単にできます。 レバーハンドルの劣化を感じたらぜひ交換に挑戦してみてください! MIWAレバーハンドル 23型GD アルミゴールド 【アルミ合金製について】 アルミはその表面に緻密な不動態皮膜ができ、地金を腐食から守る働きをします。アルミの場合、不動態皮膜はステンレスほど強固なものではないため、アルミを建材として使用する場合にはアルマイトや塗装などの耐食性を高める処理をします。 アルミ製品の場合は、有害ガス中の成分付着、堆積、塩分の付着、ススや粉塵、汚れなどの付着により、腐食が発生することがあります。また、アルカリ性の薬品(洗浄剤やセメント、モルタルなど)を付着したままにしておくと表面が白く脱色してしまうことがあります。 ステンレスと異なり、アルミの場合には一度腐食や脱色が発生してしまうと元通りの外観に戻すことはできません。   23-GDレバーハンドルに交換可能かどうかはフロントの刻印を確認すれば簡単にわかります。下記を参考にフロントの刻印を確認してください。刻印が合っていればレバーハンドルを交換することができます。 またご購入時に「刻印」と「ドアの厚み」、「バックセット」、「左右勝手」をお知らせください。(プルダウンメニューから選んでください。) 刻印やドアの厚み等の詳細は下記を参考にしてください。 MIWAの刻印 LA・MA LASP 13LA WLA LO LDO LAF LDA     上記の刻印であればMIWA 23型GD レバーハンドルに交換することができます! ●詳しい図解入り●MIWA レバーハンドル錠  取替説明書は、こちら
RANKING ランキング